قهرمان گمنام انبار: شیرجه عمیق به فناوری بلبرینگ لیفتراک در اکوسیستم شلوغ ...
بیشتر بخوانید
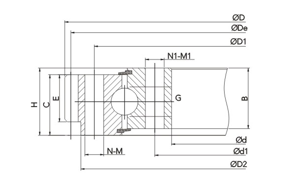
کد موجودی: 920002
| قطر دایره مرکزی رول D(mm) | حداکثر انحراف در صفحه تکیه گاه Amax(mm) |
| ~ 1000 | 0.6 |
| > 1000 تا 1500 | 0.8 |
| > 1500 تا 2000 | 1 |
| > 2000 تا 2500 | 1.3 |
| > 2500 تا 3000 | 1.6 |
| > 3000 ~ 3500 | 2 |
| > 3500 ~ 4000 | 2.5 |
| 24000 تا 4500 | 3 |
| > 4500 ~ 5000 | 3.6 |
| > 5000 ~ 5500 | 4.2 |
| > 5500 ~ 6000 | 4.8 |
| > 6000 ~ 7000 | 5.8 |
| > 7000 ~ 8000 | 7 |
| بلبرینگ خیر | ابعاد (میلی متر) | وزن (کیلوگرم) | رفر. خیر | |||||||||||||||
| د | d1 | D | D2 | D1 | سی | E | اچ | ب | N-M | N1-M1 | د | متر | z | x | جی | |||
| WDA-011-0179-01 | 125 | 144.5 | 244 | 234 | 214 | 25 | 20 | 25 | 25 | 24-Φ11 | (20-1)Φ11 | 240 | 2 | 120 | 0 | 2-M6*1 | 5.5 | 011.14.0179 الف |
| WDA-011-0179-02 | 125 | 144.5 | 244 | 234 | 214 | 35 | 20 | 45 | 35 | 24-Φ11 | 20-Φ11 | 240 | 2 | 120 | 0 | 2-M6*1 | 5.6 | 011.14.0179.B |
| WDA-011-0179-03 | 125 | 145 | 244 | 234 | 214 | 26 | 20 | 26 | 26 | 24-M12 | 4-M12 | 240 | 2 | 120 | 0 | 2-M6*1 | 5.5 | 011.14.0179.C |
| WDA-011-0179-04 | 125 | 144.5 | 244 | 234 | 214 | 25 | 20 | 25 | 25 | 24-M10 | (20-1) M10 | 240 | 2 | 120 | 0 | 2-M6*1 | 5.5 | 011.14.0179.د |
| WDA-011-0179-05 | 125 | 144.5 | 244 | 234 | 214 | 25 | 20.5 | 26 | 25 | 24-M10 | (24-1) Φ11 | 240 | 2 | 120 | 0 | / | 5.3 | 011.14.0179.E |
| WDA-011-0181-01 | 125 | 144.5 | 244 | 234 | 214 | 25 | 20 | 25 | 25 | 24-Φ11 | 20-1-Φ11 | 240 | 2 | 120 | 0 | 2-M6*1 | 6 | 01-0181-02 |
| WDA-011-0200-01 | 120 | 152 | 300 | 280 | 248 | 50 | 40 | 60 | 50 | 12-Φ16/M14 | 12-Φ16/M14 | 294 | 3 | 98 | 0 | 2-M6*1 | 24 | 011.20.200 |
| WDA-011-0220-01 | 165 | 185 | 285 | 270 | 250 | 30 | 25 | 35 | 30 | 8-M8 | 6-Φ9 | 280 | 2.5 | 112 | 0 | 1-M6*1 | 8.6 | 011.12.0220.A |
| WDA-011-0224-01 | 144 | 176 | 321 | 304 | 272 | 50 | 40 | 60 | 50 | 12-Φ16/M14 | 12-Φ16/M14 | 315 | 3 | 105 | 0 | 2-M6*14 | 25 | 011.20.224 |
| WDA-011-0235-01 | 169 | 195 | 318 | 300 | 275 | 37 | 30 | 45 | 34 | 20-Φ13.5 | 20-M12 | 312 | 3 | 104 | 0 | 2/2-M10*11 | 12.5 | 011.15.0235.C |
| WDA-011-0235-02 | 169 | 195 | 318 | 300 | 275 | 37 | 30 | 45 | 34 | 20-Φ13 | (20-1) M12 | 312 | 3 | 104 | 0 | 2/2-M6*1① | 14 | 01-0235-00 |
| WDA-011-0250-01 | 170 | 202 | 352 | 330 | 298 | 50 | 40 | 60 | 50 | 18-Φ16/M14 | 18-Φ16/M14 | 344 | 4 | 86 | 0 | 2-M8*1 | 30 | 011.20.250 |
| WDA-011-0280-01 | 200 | 232 | 384 | 360 | 328 | 50 | 40 | 60 | 50 | 18-Φ16/M14 | 18-Φ16/M14 | 376 | 4 | 94 | 0 | 2-M10*1 | 34 | 011.20.280 |
| WDA-011-0280-02 | 198 | 232 | 388 | 360 | 328 | 50 | 44 | 60 | 50 | 10-Φ15/M14 | 10-Φ15/M14 | 384 | 4 | 96 | -0.5 | 2-M10*1 | 29 | QW□280.16A |
| WDA-011-0315-01 | 222 | 258 | 435 | 408 | 372 | 60 | 50 | 70 | 60 | 20-Φ18/M16 | 20-Φ18/M16 | 425 | 5 | 85 | 0 | 2-M10*1 | 52 | 011.25.315 |
| WDA-011-0315-02 | 233 | 267 | 424 | 395 | 363 | 50 | 44 | 60 | 50 | 12-Φ15/M14 | 12-Φ15/M14 | 420 | 4 | 105 | -0.5 | 2-M10*1 | 34 | QW□315.16A |
| WDA-011-0342-01 | 267 | 295 | 447 | 416 | 390 | 44 | 39 | 50 | 44 | 16-Φ17.5 | 16-Φ17.5 | 441 | 3 | 147 | 0 | 2-M8*1 | 31 | D1787/267M |
| WDA-011-0355-01 | 262 | 298 | 475 | 448 | 412 | 60 | 50 | 70 | 60 | 20-Φ18/M16 | 20-Φ18/M16 | 465 | 5 | 93 | 0 | 2-M10*1 | 59 | 011.25.355 |
| WDA-011-0355-02 | 273 | 307 | 464 | 435 | 403 | 50 | 44 | 60 | 50 | 12-Φ15/M14 | 12-Φ15/M14 | 460 | 4 | 115 | -0.5 | 2-M10*1 | 38 | QW□355.16A |
| WDA-011-0400-01 | 307 | 343 | 528 | 493 | 457 | 60 | 50 | 70 | 60 | 20-Φ18/M16 | 20-Φ18/M16 | 516 | 6 | 86 | 0 | 2-M10*1 | 69 | 011.25.400 |
| WDA-011-0400-02 | 318 | 352 | 504 | 480 | 448 | 50 | 44 | 60 | 50 | 12-Φ15/M14 | 12-Φ15/M14 | 500 | 4 | 125 | -0.5 | 2-M10*1 | 46 | QW□400.16A |
| WDA-011-0450-01 | 357 | 393 | 576 | 543 | 507 | 60 | 50 | 70 | 60 | 20-Φ18/M16 | 20-Φ18/M16 | 564 | 6 | 94 | 0 | 2-M10*1 | 76 | 011.25.450 |
| WDA-011-0450-02 | 368 | 402 | 556 | 530 | 498 | 50 | 44 | 60 | 50 | 12-Φ15/M14 | 12-Φ15/M14 | 552 | 4 | 138 | -0.5 | 2-M10*1 | 52 | QW□450.16A |
| WDA-011-0450-03 | 354 | 392 | 570 | 544 | 508 | 60 | 50 | 70 | 60 | 12-Φ17/M16 | 12-Φ17/M16 | 565 | 5 | 113 | -0.5 | 2-M10*1 | 64 | QW□450.20A |
| WDA-011-0453-01 | 380 | 408 | 550 | 523 | 498 | 45 | 38 | 52 | 45 | 16-1/2-UNC | 16-1/2-UNC | 540 | 5 | 108 | 0 | 2-M10*1 | 35 | D1787/380 |
| WDA-011-0467-01 | 372 | 405 | 573.48 | 563 | 529 | 50 | 30 | 60 | 50 | 20-Φ18 | 20-Φ18 | 570 | 2 | 285 | -0.13 | 2-M10*1 | 50 | 011.25.467.03 |
| WDA-011-0500-01 | 398 | 434 | 629 | 602 | 566 | 70 | 60 | 80 | 70 | 20-Φ18/M16 | 20-Φ18/M16 | 615 | 5 | 123 | 0.5 | 4-M10*1 | 85 | 011.25/30.500 |
| WDA-011-0500-02 | 404 | 442 | 625 | 594 | 558 | 60 | 50 | 70 | 60 | 14-Φ17/M16 | 14-Φ17/M16 | 620 | 5 | 124 | -0.5 | 2-M10*1 | 74 | QW□500.204 |
| WDA-011-0500-03 | 398 | 434 | 630 | 602 | 566 | 70 | 60 | 80 | 70 | 20-Φ18 | 20-Φ18 | 612 | 6 | 102 | 0.5 | 4-M10*1 | 88 | 012.30.500.12 |
| WDA-011-0510-01 | 430 | 460 | 605 | 580 | 560 | 53 | 45 | 58 | 50 | 12-Φ14 | 12-M12 | 600 | 2.5 | 240 | 0 | 3-M10*1 | 53 | 011.18.510.03 |
| WDA-011-0560-01 | 458 | 494 | 689 | 662 | 626 | 70 | 60 | 80 | 70 | 20-Φ18/M16 | 20-18M16 | 675 | 5 | 135 | 0.5 | 4-M10*1 | 95 | 011.25/30.560 |
| WDA-011-0560-02 | 464 | 502 | 685 | 654 | 618 | 60 | 50 | 70 | 60 | 14-Φ17/M16 | 14-Φ17/M16 | 680 | 5 | 136 | -0.5 | 4-M10*1 | 79 | QW□560.20A |
| WDA-011-0560-03 | 458 | 494 | 684 | 662 | 626 | 70 | 60 | 80 | 70 | 20-M16 | 20-Φ18 | 675 | 5 | 135 | 0 | 4-M10*1 | 96 | 011.30.560.03 |
| WDA-011-0566-01 | 468 | 500 | 696 | 665 | 630 | 64 | 60 | 77 | 64 | 18-M16 | 18-Φ18 | 684 | 6 | 114 | 0 | 6-M10*1 | 93 | D178794 |
| WDA-011-0566-02 | 468 | 500 | 696 | 665 | 630 | 43 | 40 | 53 | 43 | 18-M16 | 18-Φ18 | 684 | 6 | 114 | 0 | 6-M10*1 | 56 | D178794K1 |
| WDA-011-0630-01 | 528 | 564 | 772.8 | 732 | 696 | 70 | 60 | 80 | 70 | 24-Φ18/M16 | 24-Φ18/M16 | 756 | 6 | 126 | 0.5 | 4-M10*1 | 110 | 011.25/30.630 |
| WDA-011-0630-02 | 534 | 572 | 755 | 724 | 688 | 60 | 50 | 70 | 60 | 16-Φ17/M16 | 16-Φ17/M16 | 750 | 5 | 150 | -0.5 | 4-M10*4 | 88 | QW□630.20A |
| WDA-011-0630-03 | 522 | 566 | 774 | 734 | 694 | 68 | 58 | 78 | 68 | 16-Φ22/M20 | 16-Φ22/M20 | 768 | 6 | 128 | -0.5 | 6-M10*1 | 114 | QW□630.25A |
| WDA-011-0690-01 | 600 | 636 | 798 | 768 | 740 | 62 | 50 | 72 | 60 | 20-M16 | 24-M16 | 786 | 6 | 131 | 0 | 4-M10*1 | 93 | E1787/600G2K1 |
| WDA-011-0710-01 | 608 | 644 | 850.8 | 812 | 776 | 70 | 60 | 80 | 70 | 24-Φ18/M16 | 24-Φ18/M16 | 834 | 6 | 139 | 0.5 | 4-M10*1 | 120 | 011.25/30.710 |
| WDA-011-0710-02 | 614 | 652 | 840 | 804 | 768 | 60 | 50 | 70 | 60 | 18-Φ17/M16 | 18-Φ17/M16 | 834 | 6 | 139 | -0.5 | 4-M10*1 | 101 | QW□710.20A |
| WDA-011-0710-03 | 602 | 646 | 864 | 814 | 774 | 68 | 58 | 78 | 68 | 18-Φ22/M20 | 18-Φ22/M20 | 856 | 8 | 107 | -0.5 | 6-M10*1 | 132 | QW□710.25A |
| WDA-011-0710-04 | 608 | 644 | 856 | 812 | 776 | 70 | 60 | 80 | 70 | 24-Φ17.5 | 24-M16 | 832 | 8 | 104 | 0.5 | 6-M10*1 | 120 | 012.30.710.03 |
| WDA-011-0720-01 | 620 | 660 | 860.3 | 820 | 780 | 68 | 60 | 80 | 68 | 18-M16 | 18-Φ18 | 834 | 6 | 139 | 1.4 | 6-M10*1 | 130 | 011.25.720.12 |
| WDA-011-0768-01 | 674 | 709 | 889 | 853 | 825 | 60 | 50 | 70 | 59 | 34-Φ18 | 24-Φ18 | 875 | 7 | 125 | 0 | 2-G1/8 | 89 | 1787/674G2K |
| WDA-011-0791-01 | 690 | 725 | 924 | 892 | 875 | 43 | 40 | 53 | 43 | 18-M18 | 18-Φ20 | 912 | 6 | 152 | 0 | 6-M10*1 | 89 | 1787/690K |
| WDA-011-0800-01 | 678 | 722 | 966.4 | 922 | 878 | 90 | 80 | 100 | 90 | 30-Φ22/M20 | 30-Φ22/M20 | 944 | 8 | 118 | 0.5 | 6-M10*1 | 220 | 011.30/40.800 |
| WDA-011-0800-02 | 704 | 742 | 936 | 894 | 858 | 60 | 50 | 70 | 60 | 20-Φ17/M16 | 20-Φ17/M16 | 928 | 8 | 116 | -0.5 | 6-M10*1 | 114 | QW□800.20A |
| WDA-011-0800-03 | 692 | 736 | 952 | 904 | 864 | 68 | 58 | 78 | 68 | 18-Φ22/M20 | 18-Φ22/M20 | 944 | 8 | 118 | -0.5 | 6-M10*1 | 147 | QW□800254 |
| WDA-011-0800-04 | 676 | 726 | 980 | 920 | 874 | 80 | 70 | 90 | 80 | 18-Φ24/M22 | 18-Φ24/M22 | 970 | 10 | 97 | -0.5 | 6-M10*1 | 212 | QW□800.32A |
| WDA-011-0800-05 | 678 | 722 | 960 | 922 | 878 | 90 | 80 | 100 | 90 | 30-Φ22 | 30-Φ22 | 944 | 8 | 118 | 0 | 6-M10*1 | 224 | 011.40,800.12 |
| WDA-011-0802-01 | 710 | 744 | 924 | 894 | 865 | 58 | 55 | 67 | 58 | 20-Φ13 | 20-Φ13 | 912 | 6 | 152 | 0 | 4-M10*1 | 105 | 1787/710G2K1 |
| WDA-011-0803-01 | 710 | 760 | 924 | 894 | 875 | 58 | 55 | 67 | 58 | 8-M10 | 12-M12 | 912 | 6 | 152 | 0 | 3-M10*1 | 107 | 1787/710G2K |
| WDA-011-0895-01 | 760 | 820 | 1072 | 1020 | 980 | 85 | 70 | 95 | 80 | 16-Φ18 | 16-M16 | 1064 | 4 | 266 | 0 | 2-M10*1 | 250 | 011.30.895.03 |
| WDA-011-0900-01 | 778 | 822 | 1062.4 | 1022 | 978 | 90 | 80 | 100 | 90 | 30-Φ22/M20 | 30-Φ22/M20 | 1040 | 8 | 130 | 0.5 | 6-M10*1 | 240 | 011.30/40.900 |
| WDA-011-0900-02 | 792 | 836 | 1060 | 1004 | 964 | 68 | 58 | 78 | 68 | 20-Φ22/M20 | 20-Φ22/M20 | 1050 | 10 | 105 | 5 | 6-M10* | 168 | QW□900.25A |
| WDA-011-0900-03 | 776 | 826 | 1080 | 1020 | 974 | 80 | 70 | 90 | 80 | 20-Φ24/M22 | 20-Φ24/M22 | 1070 | 10 | 107 | 0.5 | 6-M10*1 | 239 | QW□900.32A |
| WDA-011-0925-01 | 800 | 838 | 1092 | 1050 | 1012 | 74 | 60 | 90 | 76 | 30-Φ20 | 30-Φ20 | 1080 | 6 | 180 | 0 | 3-M10*1 | 217 | 1787/800G |
| WDA-011-1000-01 | 878 | 922 | 1188 | 1122 | 1078 | 90 | 80 | 100 | 90 | 36-Φ22/M20 | 36-Φ22/M20 | 1160 | 10 | 116 | 0.5 | 6-M10*1 | 270 | 011.30/40.1000 |
| WDA-011-1000-02 | 892 | 936 | 1160 | 1104 | 1064 | 68 | 58 | 78 | 68 | 24-Φ22/M20 | 24-Φ22/M20 | 1150 | 10 | 115 | -0.5 | 6-M10*1 | 185 | 0W□1000.25A |
| WDA-011-1000-03 | 876 | 926 | 1170 | 1120 | 1074 | 80 | 70 | 90 | 80 | 24-Φ24/M22 | 24-Φ24/M22 | 1160 | 10 | 116 | -0.5 | 6-M10*1 | 257 | QW□1000.32A |
| WDA-011-1120-01 | 998 | 1042 | 1298 | 1242 | 1198 | 90 | 80 | 100 | 90 | 36-Φ22/M20 | 36-Φ22/M20 | 1270 | 10 | 127 | 0.5 | 6-M10*1 | 300 | 011.30/40.1120 |
| WDA-011-1120-02 | 1012 | 1056 | 1280 | 1224 | 1184 | 68 | 58 | 78 | 68 | 28-Φ22/M20 | 28-Φ22/M20 | 1270 | 10 | 127 | -0.5 | 6-M10*1 | 210 | QW□1120.25A |
| WDA-011-1120-03 | 996 | 1046 | 1308 | 1240 | 1194 | 80 | 70 | 90 | 80 | 28-Φ24/M22 | 28-Φ24/M22 | 1296 | 12 | 108 | -0.5 | 6-M10*1 | 275 | QW□1120.32A |
| WDA-011-1250-01 | 1110 | 1163 | 1449.6 | 1390 | 1337 | 100 | 90 | 110 | 100 | 40-Φ26/M24 | 40-Φ26/M24 | 1416 | 12 | 118 | 0.5 | 5-M10*1 | 420 | 011.35/45.1250 |
| WDA-011-1250-02 | 1126 | 1176 | 1440 | 1370 | 1324 | 80 | 70 | 90 | 80 | 32-Φ24/M22 | 32-Φ24/M22 | 1428 | 12 | 119 | -0.5 | 5-M10*1 | 309 | QW□1250.32A |


قهرمان گمنام انبار: شیرجه عمیق به فناوری بلبرینگ لیفتراک در اکوسیستم شلوغ ...
بیشتر بخوانید
برای بیش از پنج دهه، از زمان تاسیس ما در سال 1969، Jiangsu Wanda Spهcial Bear...
بیشتر بخوانید
JiangsuWandaSpecialBearingCo.,Ltd (شرکت سابق RugaoWandaSpecialBearing) از زما...
بیشتر بخوانید
درک نقش غلتک های جانبی لیفتراک غلطک های کناری لیفتراک اجزای حیاتی در...
بیشتر بخوانید
آشنایی با زنجیر چرخ غلتکی زنجیر چرخ غلتکی اجزای ضروری در کارب...
بیشتر بخوانید