قهرمان گمنام انبار: شیرجه عمیق به فناوری بلبرینگ لیفتراک در اکوسیستم شلوغ ...
بیشتر بخوانید
کد موجودی: 920002
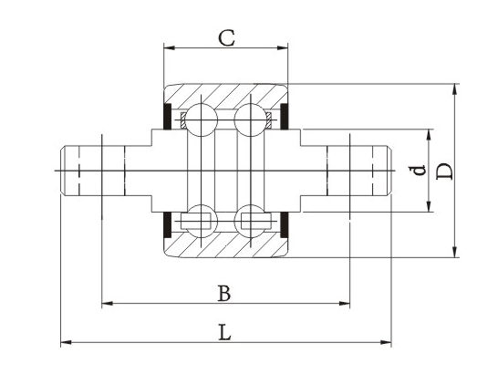
● انتخاب فاصله بلبرینگ یاتاقان دکل لیفتراک
● دقت ابعادی و زبری سطح بلبرینگ دکل لیفتراک
● اصول انتخاب بلبرینگ دکل لیفتراک
① ابعاد خارجی یاتاقان را با توجه به ابعاد ساختاری دکل لیفتراک تعیین کنید.
② با توجه به تناژ لیفتراک، ساختار داخلی با انتخاب می شود
③ برای اینکه بلبرینگ استحکام کافی داشته باشد، ضخامت حلقه یاتاقان باید به طور کامل در طراحی در نظر گرفته شود.
④ انتخاب معقول سختی مواد یاتاقان و اندازه نصب.
| شماره بلبرینگ | ابعاد (میلی متر) | رتبه بندی بار پایه (KN) | رفر. خیر | |
| d*D*C/B | Cr | کور | ||
| SR54B40-1 | 54/70.5*19.6/40*30 | 15.79 | 10 | |
| SR54B41-1 | 54/70.5*19.6/41*30 | 15.79 | 10 | MRS-1 |
| SR55B47-1 | 55/75*24/47*3 | 118.56 | 10.85 | 59532L2901 |
| SR60B41-1 | 60/80*19.6141*3 | 15.79 | 10 | CN-15 |
| SR60B41-2 | 60/80*19.6/41*30 | 15.79 | 10 | |
| SR60B42-1 | 60/80*19.5/42*3 | 15.79 | 10 | 52N53-74001 |
| SR60B42-2 | 60/80*20/42*30 | 15.79 | 10 | |
| SR60B42-3 | 60/80*19.6/42*30 | 15.79 | 10 | 974Z1862 |
| SR60B47-1 | 60/80*24.4/47*30 | 22.22 | 12.36 | |
| SR60B52-1 | 60/84*25.4/52*30 | 22.27 | 12.41 | CPD، NF94401-03700 |
| SR60B52-2 | 60/84*25.4/52*30 | 22.27 | 12.41 | |
| SR60B52-3 | 60/84*25.4/52*3 | 22.27 | 12.41 | SR6A |
| SR60B54-1 | 60/80*25.4/54*30 | 22.27 | 12.41 | |
| SR60B58-1T | 60/80*20/58*30 | 26 | 15.8 | C58*80 |
| SR60B58-2 | 60/80*30/58*30 | 30.3 | 15.88 | C58X80D |
| SR60B80-2 | 60/90*42/80*30 | 31.4 | 22.5 | |
| SR62B52-1 | 62/84*25/52*38 | 15.88 | 30.3 | 84905D |
| SR70B72-1T | 70/90*32/72*34.5 | 30 | 22.86 | DOW00-94311 |

قهرمان گمنام انبار: شیرجه عمیق به فناوری بلبرینگ لیفتراک در اکوسیستم شلوغ ...
بیشتر بخوانید
برای بیش از پنج دهه، از زمان تاسیس ما در سال 1969، Jiangsu Wanda Spهcial Bear...
بیشتر بخوانید
JiangsuWandaSpecialBearingCo.,Ltd (شرکت سابق RugaoWandaSpecialBearing) از زما...
بیشتر بخوانید
درک نقش غلتک های جانبی لیفتراک غلطک های کناری لیفتراک اجزای حیاتی در...
بیشتر بخوانید
آشنایی با زنجیر چرخ غلتکی زنجیر چرخ غلتکی اجزای ضروری در کارب...
بیشتر بخوانید